CVOption



Full tracks of Analog-Monster project on YouTube channel Sushonyo Synth Project
Full tracks of Analog-Monster project on SoundCloud channel Analogmonster

Einleitung:

Beim Rumdameln mit dem CV2MIDI Modul hatte ich noch ein paar Ideen, wie man die Funktionalitaet noch weiter ausbauen koennte. Also setzte ich mich hin und entwickelte ein Modul, mit dem man weitere Funktionen fuer das "Sequenzieren" realisieren kann: Das CVOption - Modul. Das arbeitet im Wesentlichen als acht-kanalige Quelle fuer Steuerspannungen und Clock-Signale / Taktgeber fuer einen ganzen Haufen von neuen Sequenzer-Funktionen fuer das CV2MIDI Modul, was daraus sozusagen einen echten "Fun - Modular-Sequenzer" macht:



Es besteht aus acht voneinander unabhaengigen Kanaelen, welche durch acht "Kontroll-Zellen" auf der rechten Seite gesteuert werden.

Das Modul ist rein analog und besteht aus vier Platinen, die jeweils zwei Kanaele beherbergen:


Oben: Man beachte meinen NAAAACHHALTIGEN (um das Unwort dieses Jahrzehnts zu missbrauchen) Ansatz, eine Platine zu gestalten, bei dem ich sehr alte und gebrauchte Widerstaende mit Klartext-Widerstandswerten verwendete, die noch aus der Vor-Farbkodierungsringzeit und Vor-Platinenzeit stammen (vermutlich haben sie bereits unter Adolf waehrend des zweiten Weltkriegs in den damals im Einsatz befindlichen Volksempfaengern mit Freiluftverdrahtung und Roehren gedient LOL) und ihren Weg zu mir gefunden haben, als ich auf Ebay ein Konvolut alter Elektronikbauteile erwarb, welches aus dem Nachlass eines verstorbenen "Elektronik-Messies" (so seine Witwe etwas despektierlich) stammt.

Wie dem auch sei, dieses Modul bietet eine Vielzahl neuer Sequenzer-Modi an, wenn es mit meinem acht-kanaligen CV2MIDI Konverter zum Einsatz kommt:

Das Modul bietet acht CV-Quellen und acht Clock-Quellen (CLK), die durch entsprechende Regeler gesteuert werden.

Die Clock-Geschwindigkeit wird von kleinen Kontroll-Zellen auf der rechten Modulseite gesteuert. Mit jeder Kontroll-Zelle laesst sich der Taktbetrieb fuer den jeweiligen Kanal/Sequenzer-Step einstellen. Auf "ON" geschaltet bedeutet das eine konstante Spannung von 5V an der jeweiligen Clock-Ausgangsbuchse. Auf "CLK" geschaltet dagegen erhaelt man einen normalen Clock-Ausgang. Beide Zustaende werden durch entsprechende LEDs angezeigt.

Fuer die Zusammenarbeit mit dem CVOption-Modul wurde ein neues Programm fuer den CV2MIDI-Konverter (Programm 5) entwickelt. Dieses Programm interpretiert einen 5V-Eingang an einer Taktbuchse als "Lock", wobei die vom CV2MIDI-Konverter ausgefuehrte Sequenz die Richtung aendert, sodass man quasi eine neue Sequenzlaenge definiert. Wird der Lock jedoch als CLOCK-basiert definiert, kehrt der Sequenzcursor manchmal an der Lock-Position um und manchmal nicht. Die Sequenz erhaelt dann eine zufaellige Laenge. Die Situation wird etwas konfus, wenn man zwei oder mehr CLK-Locks an unterschiedlichen Positionen der Sequenz mit unterschiedlichen Geschwindigkeiten definiert. Dann wird der Sequenzcursor in verschiedenen Teilen der Sequenz zu unterschiedlichen Zeiten eingefangen, wie ein verlorener Ping-Pong-Ball, der in zufaelligen Segmenten gefangen gehalten wird...


Oben: PCBurger und Pasta


Oben: Da rein analog, Channel CV Feinjustierung an der Rueckseite



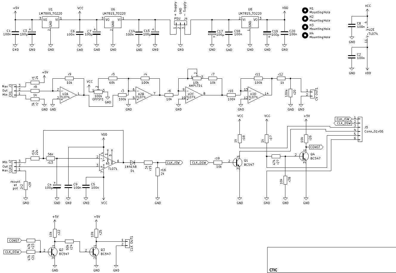
Schaltung


Zum Vergroessern anklicken

Oben: Schaltung eines Kanals

Jede Platine (2 Kanaele) hat eigene Spannungsregler, da die LEDs 'ne Menge Strom verbrauchen.

Beide Frontpanel-Potis sind 1K.

Die CV Unit (U2) arbeitet von exakt 0V bis 5V, eingestellt mit den OFFSET und AMPLITUDE Trimmern.

Der LFO (A5) arbeitet von 1Hz bis in den unteren Audio-Bereich.

Die Logik zur Steuerung der CLOCK-Arbeitsweise (Q1, Q4) wird durch den Frontpanel-Schalter (J5) festgelegt. Clock HI und LO werden durch Q2 und Q3 und eine diskrete "OR" - Logik auf 0V und 5V gesetzt und am CLOCK-Ausgang bereit gestellt.



Full tracks of Analog-Monster project on YouTube channel Sushonyo Synth Project
Full tracks of Analog-Monster project on SoundCloud channel Analogmonster


Fragen und Anmerkungen bitte an:
Carsten Toensmann

Home



Link Disclaimer:
Wichtiger Hinweis zu allen Links: Mit Urteil vom 12. Mai 1998 - 312 O 85/98 - "Haftung fuer Links" hat das Landgericht (LG) Hamburg entschieden, dass man durch die Anbringung eines Links, die Inhalte der gelinkten Seite ggf. mit zu verantworten hat. Dies kann - so das LG - nur dadurch verhindert werden, dass man sich ausdruecklich von diesen Inhalten distanziert. Hiermit distanzieren wir uns ausdruecklich von allen Inhalten aller gelinkten Seiten auf unserer Homepage und machen uns diese Inhalte nicht zu eigen. Diese Erklaerung gilt fuer alle auf dieser Website angebrachten Links.

Haftungsausschluss:
Die bereitgestellten Informationen auf dieser Web Site wurden sorgfaeltig geprueft und werden regelmaessig aktualisiert. Jedoch kann keine Garantie dafuer uebernommen werden, dass alle Angaben zu jeder Zeit vollstaendig, richtig und in letzter Aktualitaet dargestellt sind. Dies gilt insbesondere fuer alle Verbindungen ("Links") zu anderen Web Sites, auf die direkt oder indirekt verwiesen wird. Alle Angaben koennen ohne vorherige Ankuendigung ergaenzt, entfernt oder geaendert werden. Alle auf dieser Website genannten Produktnamen, Produktbezeichnungen und Logos sind eingetragene Warenzeichen und Eigentum der jeweiligen Rechteinhaber.

Schematics:
Saemtliche Schaltplaene, Skizzen, Bauplaene und Funktionsbeschreibungen auf den Seiten von www.analog-monster.de/* sind - falls nicht anderweitig gekennzeichnet - Eigentum von Carsten Toensmann und duerfen lediglich fuer private Zwecke genutzt werden. Jegliche Haftung ist ausgeschlossen.